Vaja 7
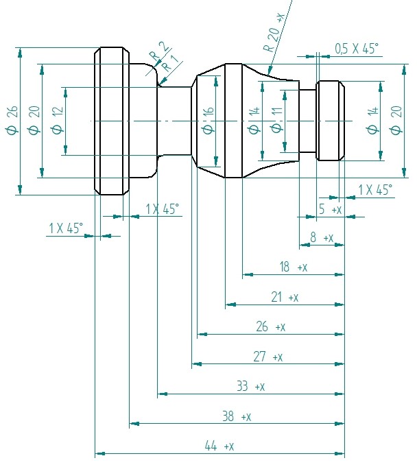
Izdelajte vso potrebno dokumentacijo za narisani izdelek (pri merah upoštevajte +x - zaporedno številko v redovalnici). Za programiranje uporabite cikla 93 in 95.

- 29 november 2022, 01:16
Izdelajte vso potrebno dokumentacijo za narisani izdelek (pri merah upoštevajte +x - zaporedno številko v redovalnici). Za programiranje uporabite cikla 93 in 95.
