Vaja 2A
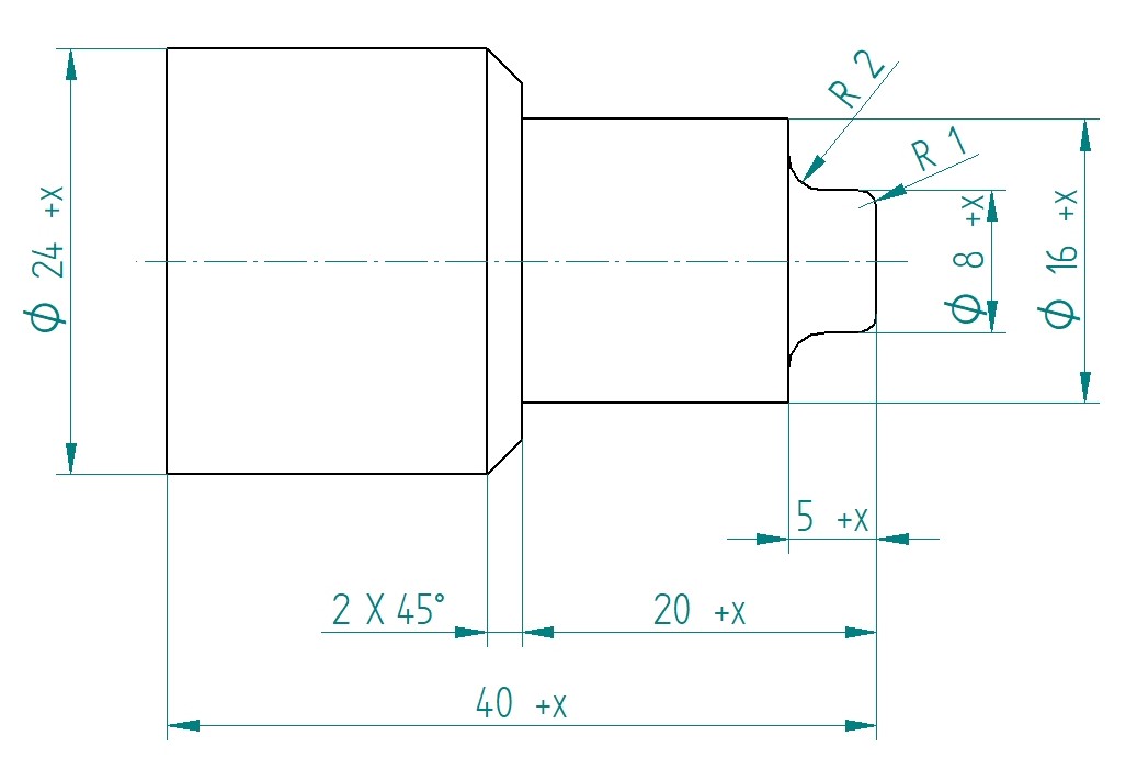
Pri vaji 2A sprogramirajte pot orodja za surovec v obliki valja. Pri merah upoštevajte X-zaporedno številko iz redovalnice. Vajo rešite s pomočjo cikla za grobo in fino obdelavo - CYCLE95 (pomoč - učbenik str. 37). Izdelajte vso potrebno dokumentacijo (delavniško risbo, operacijski list, načrt vpetja in rezanja, program, simulacijo) in jo oddajte v pdf obliki. V poimenovanju datotek naj bo vaše ime in priimek.

- 4 oktober 2022, 01:18