Vaja 3
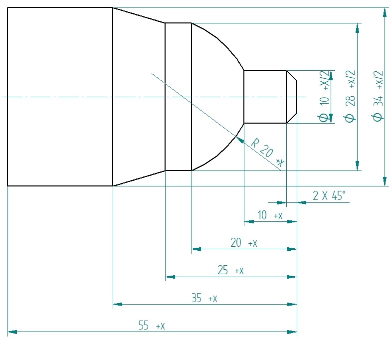
Pri vaji 3 sprogramirajte pot orodja za surovec, ki že ima predhodno obliko izdelka - torej izdelate samo program za čelno poravnavo in konturni rez. Pri merah upoštevajte X-zaporedno številko iz redovalnice. Pri izdelavi programa si lahko pomagate s podobnim izdelkom v knjigi (str.14). Izdelajte vso potrebno dokumentacijo (delavniško risbo, operacijski list, načrt vpetja in rezanja, program, simulacijo) in jo oddajte v pdf obliki. V poimenovanju datotek naj bo vaše ime in priimek.

- 4 oktober 2022, 13:23